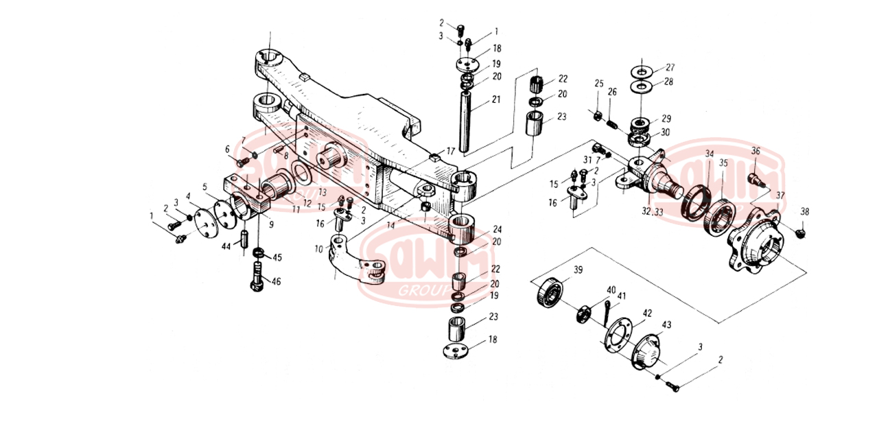
Łożysko igiełkowe sworznia zwrotnicy Hangcha H20-30 typ B
towar niedostępny
dodaj do przechowalni
Łożysko igiełkowe sworznia zwrotnicy Hangcha H20-30 typ B
Opis
Łożysko igiełkowe sworznia zwrotnicy do wózków widłowych Hangcha HC
Pasuje do serii: H20-30
Pozycja na schemacie: 22
Numery OEM:
K304030
HKH3030
Dane techniczne
| Marka wózka | HC |
| Jakość towaru | Zamiennik |
Koszty dostawy
Cena nie zawiera ewentualnych kosztów płatności
Opinie (0)
Możesz skontaktować się z nami za pomocą formularza kontaktowego lub szukaj po wymiarze

