Podstawa panewki belki przednia Nissan 1F2 (20+25)
towar niedostępny
dodaj do przechowalni
Podstawa panewki belki przednia Nissan 1F2 (20+25)
Opis
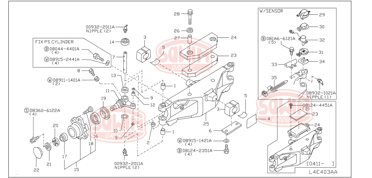
Podstawa panewki belki do wózków widłowych Nissan
Podstawa przednia
Pasuje do serii: 1F2
Pasuje do tonaży 2,0-2,5 tony
Pozycja na schemacie - 6
Numery OEM:
40047-FK000
40047FK000
Dane techniczne
| Marka wózka | Nissan |
| Jakość towaru | Zamiennik |
Koszty dostawy
Cena nie zawiera ewentualnych kosztów płatności
Opinie (0)
Możesz skontaktować się z nami za pomocą formularza kontaktowego lub szukaj po wymiarze

