Rolka poliuretanowa 50x18 z łożyskami PU
towar niedostępny
dodaj do przechowalni
Rolka poliuretanowa 50x18 PU
Z łożyskami
Opis
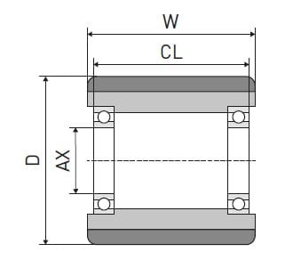
Rolka poliuretanowa 50x18 PU
Materiał: PU
D - 50 mm
W - 18 mm
CL - 10 mm
AX - 17 mm
Łożysko - 6003
Dane techniczne
| Rozmiar rolek | 50x18 |
| Łożyska | Z łożyskami |
Koszty dostawy
Cena nie zawiera ewentualnych kosztów płatności
Opinie (0)
Możesz skontaktować się z nami za pomocą formularza kontaktowego lub szukaj po wymiarze

