Sworzeń łącznika skrętu Hangcha H20-30
towar niedostępny
dodaj do przechowalni
Sworzeń łącznika skrętu Hangcha H20-30
Opis
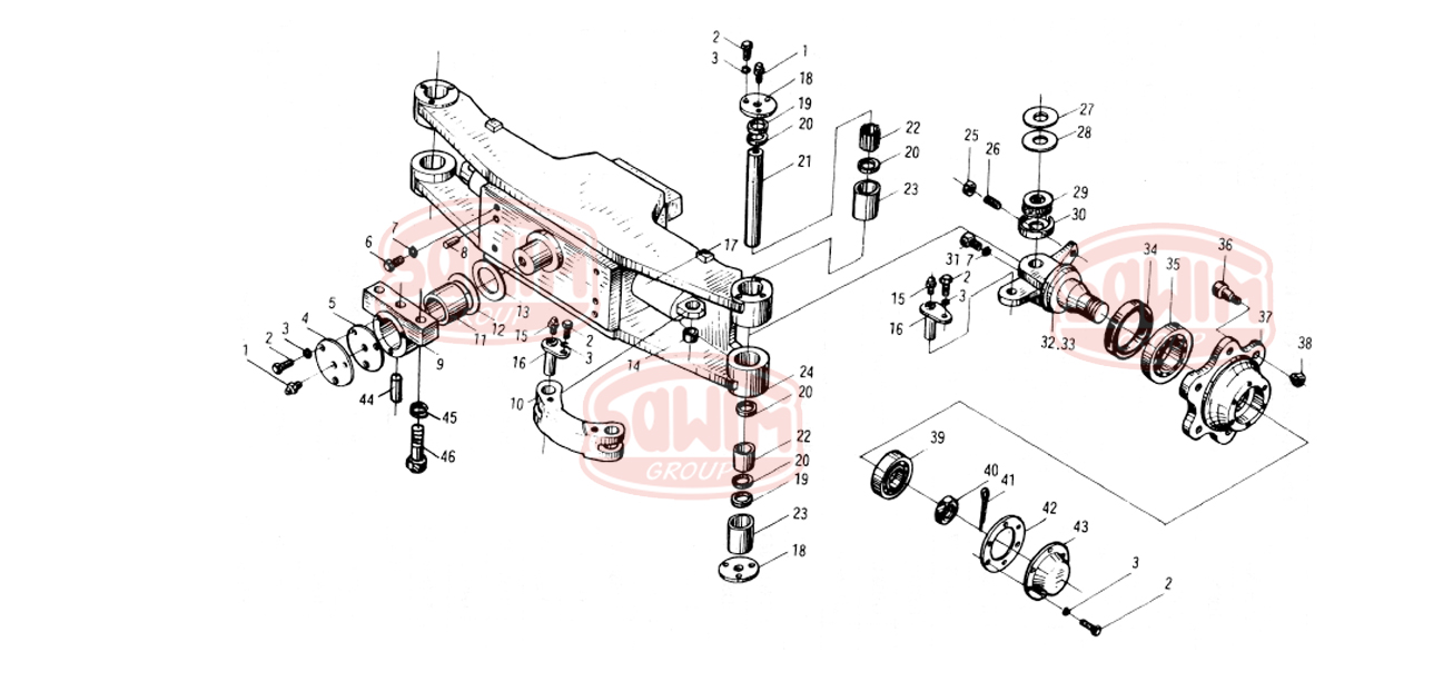
Sworzeń łącznika skrętu do wózków widłowych Hangcha HC
Pasuje do serii: H20-30
Pozycja na schemacie - 16
Numery OEM:
30DH-213000A
30DH213000A
Dane techniczne
| Marka wózka | HC |
| Jakość towaru | Zamiennik |
Koszty dostawy
Cena nie zawiera ewentualnych kosztów płatności
Opinie (0)
Możesz skontaktować się z nami za pomocą formularza kontaktowego lub szukaj po wymiarze

